020 3827 5901
139 2919 3989
聯係人:鍾生
電 話:020-3827-5901
手 機:
地 址:廣州番禺鍾村街道鍾村
裝飾材料城B1棟二樓
駕車導航到"鍾村裝飾材料城"
概述 PT-5215差壓傳感器能準確的測量低壓差值,然後將其轉換成標準的0-10V比例信號。(對於工作範圍為-50...+50pa的,可選擇4-20mA輸出信號)。 PT-5215尤其適合測量靜壓,動壓和差壓。
特點 零點漂移低 對周圍溫度變化不敏感 滯後低 精度高 過載壓力高 完美的防塵設計 機殼小巧,堅固,重量輕,安裝簡單,快速
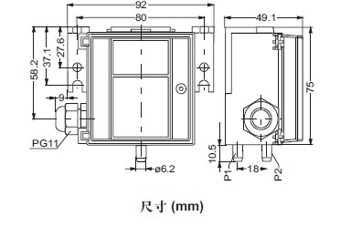
PT-5215-7300壓力傳感器尺寸圖
PT-5215-7300壓力傳感器選型表
熱銷產品:
友情鏈接:中央空調
熱線電話:020-3827 5901 地址:廣州市番禺區鍾村街道鍾村裝飾材料城B1棟2樓
版權所有@2008-2011廣州萬協機電設備工程有限公司 粵ICP備06076701號-1